Los acondicionadores de señal desempeñan un papel esencial al transformar la salida generada por un sensor en una medida equivalente que sea apropiada para las etapas subsiguientes en el sistema de instrumentación. En contextos de procesos automatizados, la tarea de acondicionar las señales adquiere una importancia significativa, ya que constituye la base fundamental para los cálculos precisos y el correcto funcionamiento del proceso. Se sostiene que un sistema de control arrojará resultados satisfactorios cuando se disponga de medidas precisas, cálculos acertados y un adecuado desempeño. Los transductores, sensores y transmisores asumen la responsabilidad de realizar las medidas primarias; en este conjunto, el acondicionador juega un papel crucial al ajustar las señales medidas y presentarlas al sistema de control de manera apropiada y confiable para su subsiguiente procesamiento.
MEDIDAS DE RESISTENCIA
La evaluación de la resistencia desempeña un papel crucial en diversas áreas como el control de calidad, el diagnóstico de fallos, el diseño de circuitos, la calibración de instrumentos y la investigación científica. Esta práctica suministra información esencial acerca del rendimiento de componentes y sistemas eléctricos, asegurando un funcionamiento óptimo, una fiabilidad mejorada y una comprensión más profunda de las propiedades eléctricas de los materiales.
El fundamento de la medición de resistencia radica en la premisa de que la resistencia eléctrica de un material o componente puede cambiar en respuesta a diversas influencias externas, tales como variaciones en la temperatura o deformación mecánica. Los sensores ohmicos capitalizan esta propiedad al incorporar una resistencia que se modifica según el fenómeno que se pretende evaluar.
Diversos métodos de medición de resistencia están disponibles, seleccionándose en función de la precisión requerida y las características particulares del componente o circuito sometido a prueba. Entre estos métodos se encuentran el método de deflexión y el empleo de puentes de medición.
METODO DE DEFLEXIÓN
Es una práctica común en los circuitos de medición para determinar la magnitud de una variable eléctrica, como la corriente o la tensión, utilizando el método de deflexión. Este método se fundamenta en la relación entre la variable medida y la desviación generada en un indicador o dispositivo de visualización.
Se distinguen dos categorías principales de circuitos de medida basados en el método de deflexión: los circuitos de deflexión directa y los circuitos de deflexión indirecta.
En los circuitos de deflexión directa, la variable medida provoca directamente la desviación del indicador o dispositivo de visualización. Por ejemplo, en un amperímetro, la corriente pasa por una bobina que genera un campo magnético. Este campo magnético interactúa con un imán permanente montado en un puntero móvil, que se desplaza en proporción a la corriente, proporcionando así una indicación de su magnitud.
En contraste, los circuitos de deflexión indirecta convierten primero la variable medida en otra forma de energía antes de utilizarla para desviar el indicador o dispositivo de visualización. Por ejemplo, en un voltímetro, la tensión medida se transforma en una señal proporcional a través de un dispositivo de conversión, como un amplificador operacional. Esta señal se emplea para generar una corriente que desvía el indicador o el puntero del dispositivo de visualización, ofreciendo una lectura proporcional a la tensión medida.
Ambas categorías de circuitos de deflexión presentan ventajas y desventajas. Los circuitos de deflexión directa son más sencillos y responden rápidamente a cambios en la variable medida, aunque pueden requerir una mayor corriente de entrada y afectar al circuito bajo prueba. Los circuitos de deflexión indirecta ofrecen una mayor impedancia de entrada y una mejor protección del circuito bajo prueba, pero pueden tener una respuesta más lenta y requerir una calibración más compleja.
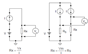
En resumen, los circuitos de medida que emplean el método de deflexión aprovechan la relación entre la variable eléctrica medida y la desviación en un indicador o dispositivo de visualización. Estos circuitos facilitan la conversión de variables eléctricas en señales visuales o digitales comprensibles y útiles para la medición y supervisión de diversos parámetros en sistemas eléctricos y electrónicos. En el enfoque de doble lectura, se utiliza una resistencia conocida y estable en serie con el sensor resistivo, y las lecturas de tensión en ambas resistencias se emplean para obtener información precisa sobre la magnitud medida.
Un ejemplo del método de medición por deflexión puede ser por lectura doble, el cual consiste en colocar una resistencia conocida y estable en serie con el sensor resistivo y tomar las lecturas de tensión en cada una de las resistencias.
Las ecuaciones que rigen el comportamiento del circuito serán:
El cociente de los voltajes Vx y Vs es:
Donde se despeja Rx que es la resistencia de interés:
Estará en función del valor de la resistencia conocida Rs y la relación de tensiones Vx y Vs.
Otro ejemplo del método de medición por deflexión es utilizando divisores de tensión, el cual es un método muy empleado para la medición de resistencias de valor elevado. Su mayor inconveniente radica en el acoplamiento de impedancias entre el sensor y el dispositivo de lectura.
Donde el valor de la resistencia en función del voltaje de alimentación esta
dado por:
MEDICIONES CON PUENTES- -Medidas de precisión de valores de componentes.
- -El más simple tiene el propósito de medir la resistencia y se llama Puente de Wheatstone.
- -Hay amplia variedad de puentes de C.A. para medir inductancias, capacitancias.
- -El circuito puente forma la parte principal en algunas mediciones y como interface de transductores.
- -En el campo de las mediciones experimentales la medición de resistencias es importante.
- -Entre los métodos utilizados para medidas precisas de resistencias (además de Óhmetro) se encuentran los circuitos puente.
- -Los circuitos puente tiene gran variedad de aplicaciones debido a la máxima exactitud que presentan, al medir un amplio rango de valores resistivos.
PUENTES DC
Los puentes en DC son dispositivos utilizados para medir y comparar valores de resistencia, capacitancia e inductancia en circuitos de corriente continua (DC). Estos puentes se basan en principios de equilibrio de voltaje y corriente para determinar los valores de los componentes bajo prueba.
PUENTE DE WHEATSTONE
Estas son las principales cualidades del Puente de Wheastone:
- Tiene 4 ramas resistivas
- Fuente de voltaje D.C.
- Deflector de cero (G).
- La corriente a través del Galvanómetro depende de la diferencia de potencial entre los puntos a y b.
- El puente está balanceado (en equilibrio) cuando la diferencia de potencial a través del Galvanómetro es 0V.
- Sucede cuando Va = Vb
Medición de resistencia con el Puente de Wheatstone
Si se cambia el valor de R2 el galvanómetro indicará, para cierto valor, corriente cero, condición en la cual se lee el valor de RX Esta se llama condición de balance del puente.
En balance, el producto cruzado de las resistencias es igual.

Una forma diferente de dibujar el circuito inicial del Puente de Wheatstone es de la siguiente manera:
CAUSAS DE ERROR EN EL PUENTE DE WHEATSTONE
Afectan la exactitud del puente: la sensibilidad del galvanómetro, las fems térmicas y el calentamiento de los resistores.
La exactitud del puente depende de la exactitud de sus resistencias
Afectan la exactitud del puente: la sensibilidad del galvanómetro, las fems térmicas y el calentamiento de los resistores.
PUENTE DE KELVIN
Conocido también como puente de doble puente o puente de cuatro terminales, el puente de Kelvin representa un tipo específico de puente de medición empleado para evaluar resistencias con baja resistividad o resistencias que presentan baja resistencia en serie. En contraste con el puente de Wheatstone, el puente de Kelvin utiliza una configuración de cuatro terminales con el fin de minimizar los efectos adversos derivados de las resistencias de contacto y los cables de prueba en el proceso de medición.
La estructura del puente de Kelvin comprende dos ramas dispuestas en paralelo, cada una integrada por dos resistencias conocidas y una resistencia desconocida en serie. Estas ramas se conectan en paralelo y se alimentan con una corriente continua. El equilibrio del puente se logra ajustando una de las resistencias conocidas hasta que no se observe flujo de corriente a través de un galvanómetro conectado en la rama destinada a la medición.
Si el galvanómetro se conecta en el punto p, entre m y n, de tal forma que la razón de resistencia de n a p y de m a p iguale la razón de los resistores R1 y R2, entonces:

La principal ventaja del puente de Kelvin radica en su capacidad para mitigar los efectos de las resistencias de contacto y los cables de prueba durante el proceso de medición. Esta capacidad se logra mediante la separación física de las conexiones de corriente y voltaje. La resistencia desconocida se conecta directamente a través de las conexiones de corriente, mientras que las conexiones de voltaje se establecen a través de las resistencias conocidas y los cables de prueba.
El puente de Kelvin demuestra ser especialmente valioso en la evaluación de resistencias con baja resistividad, como en el caso de contactos eléctricos y materiales conductores. Además, se emplea en la medición de resistencias de precisión y resistencias de bajo valor en situaciones donde se requiere una elevada exactitud y una compensación precisa de los impactos derivados de los cables y las resistencias de contacto.
PUENTES AC
Los puentes de corriente alterna son un tipo de circuito empleado en electrónica para la medición de propiedades de componentes eléctricos como resistencias, inductancias y capacitancias. Este puente, también denominado puente AC, constituye una variante del puente de Wheatstone y se utiliza principalmente en situaciones que involucran frecuencia alterna.
El puente AC está compuesto por cuatro brazos o ramas, cada una integrada por una combinación de resistencias, inductancias y capacitancias. Se introduce una fuente de corriente alterna en el circuito y se ajustan los valores de las componentes hasta que el voltaje en el nodo central del puente (conocido como nodo de equilibrio) se reduce a cero. En este estado de equilibrio, las relaciones entre los valores de las componentes del puente permiten determinar la magnitud desconocida de una resistencia, inductancia o capacitancia.
Esta es la forma general de un puente en AC:
Debemos igualar módulos y argumentos y se debe especificar la frecuencia
¿Qué medimos con los Puentes de AC?
Principalmente Capacitancias e Inductancias
MODELOS CIRCUITALES
PUENTE DE MAXWELL

También conocido como puente de Maxwell-Wien o puente de inductancia-capacitancia, este tipo de puente se emplea para la medición de la inductancia y capacitancia de un componente eléctrico y fue concebido por el científico británico James Clerk Maxwell en el siglo XIX.
El puente de Maxwell se sustenta en el principio de equilibrio de puentes, de manera análoga al puente de Wheatstone. Se configura con cuatro ramas, cada una compuesta por combinaciones de inductancias (L) y capacitancias (C). Al aplicar una fuente de corriente alterna al circuito, se ajustan los valores de las componentes hasta alcanzar un estado de equilibrio, donde el voltaje en el nodo central del puente se iguala a cero.
Cuando el puente está en equilibrio, las relaciones entre las inductancias y capacitancias del puente se utilizan para determinar el valor desconocido de una de estas magnitudes. El puente de Maxwell resulta especialmente útil para la medición de inductancias y capacitancias en el rango de frecuencias de corriente alterna.
La deducción de la ecuación de equilibrio del puente Maxwell-Viena se obtiene siguiendo las mismas pautas que las expuestas en el puente de impedancias, de donde se tiene que:
PUENTE DE HAY
El "puente de Hay" es un tipo de puente utilizado en el ámbito de las telecomunicaciones para evaluar la impedancia de una línea de transmisión que presenta valores elevados de factor de calidad, Q. También reconocido como "puente de medición de impedancia balanceada", este dispositivo fue creado por el ingeniero y físico estadounidense Arthur D. Hay.
La estructura del puente de Hay comprende una disposición de resistencias, inductancias y capacitancias que se ajustan para igualar la impedancia de la línea de transmisión. La medición del equilibrio de las corrientes en el puente se utiliza para determinar la impedancia característica de la línea. Si el puente se encuentra en equilibrio, se establece que la impedancia medida coincide con la impedancia característica de la línea de transmisión.
Las ecuaciones de equilibrio del puente de Hay son:
Mediciones de inductancias:
Mediciones de capacitancias:

PUENTE DE SCHERING
Es un tipo de puente empleado en electrónica e industria para evaluar la capacitancia de un componente o dispositivo, conocido también como "puente de capacitancia" o "puente de medición de capacitancia". El puente de Schering se fundamenta en el principio de equilibrio de puentes, similar al puente de Wheatstone, y se compone de cuatro ramas, cada una integrada por combinaciones de resistencias y capacitancias. Al aplicar una fuente de corriente alterna al circuito, se ajustan los valores de las componentes hasta lograr un estado de equilibrio, donde el voltaje en el nodo central del puente se iguala a cero.
En la figura, podemos notar que la rama 1 tiene una combinación en paralelo de una resistencia y un capacitor, y la rama patrón solo tiene un capacitor.
Las ecuaciones de equilibrio se dan de la misma forma que en otros puentes AC, quedando reducido a:
Y se expanden:
Al igualar los terminos reales e imaginarios, entonces:

PUENTE DE WIEN
El "puente de Wien" es un tipo de puente utilizado en electrónica para medir la frecuencia de una señal o para ajustar la frecuencia de un circuito. Fue desarrollado por el ingeniero alemán Max Wien.
El puente de Wien se basa en la comparación de impedancias en una configuración de puente. Consiste en una red de resistencias, capacitancias e inductancias que se ajustan para obtener un equilibrio en el circuito. El objetivo principal del puente de Wien es medir o ajustar la frecuencia de una señal sinusoidal.
Cuando el puente está en equilibrio, la frecuencia de la señal aplicada al puente se puede determinar midiendo las proporciones de las componentes del circuito. La frecuencia de equilibrio es aquella en la cual la relación de las impedancias es la deseada.
En un puente práctico, los capacitores C1 y C3 son capacitores fijos y los resistores R1 y R3 son resistores variables.
El puente de Wien se utiliza en aplicaciones de audio y en el ajuste de circuitos de control de frecuencia. También se puede encontrar en osciladores de audio y en generadores de señales de baja frecuencia.
Es importante tener en cuenta que el puente de Wien tiene ciertas limitaciones y requiere ajustes precisos para lograr una medición o ajuste preciso de la frecuencia. Además, puede ser sensible a las variaciones de los componentes y a las condiciones del entorno, por lo que se debe tener cuidado al utilizarlo y calibrarlo adecuadamente.
Puente de Wien oscilador:
AMPLIFICADOR DE INSTRUMENTACIÓN
Un amplificador de instrumentación (AI), también conocido como amplificador diferencial, es un dispositivo utilizado para amplificar y medir señales de pequeña amplitud que se encuentran en un nivel de voltaje muy bajo. Su principal función es proporcionar un alto nivel de ganancia diferencial y una alta rechazo a las señales comunes, lo que lo hace ideal para aplicaciones en las que se requiere una medición precisa de señales débiles.
No obstante, los amplificadores de instrumentación deben contar con una serie de requisitos generales:
- Ganancia: Seleccionable, estable y lineal.
- Entrada diferencial con CMRR alto.
- Error despreciable debido a las corrientes y tensiones de offset.
- Impedancia de entrada alta.
- Impedancia de salida baja.
El amplificador de instrumentación consta típicamente de tres amplificadores operacionales (op-amps) y resistencias de precisión. Los op-amps se configuran en una disposición de amplificador diferencial, donde las señales de entrada se aplican a los terminales no inversor e inversor de cada op-amp. La salida del amplificador de instrumentación es la diferencia amplificada entre las señales de entrada.
Según la teoría de circuitos eléctricos, el voltje de salida para la etapa de pre-amplificación es:
Así mismo, el voltaje de salida para la etapa diferencial es:
Por tanto, teniendo en cuenta estas ganancias, la expresión que determina la salida del voltaje de un amplificador de instrumentación es de la misma manera que el anterior.
Algunas de las características y ventajas clave del amplificador de instrumentación son las siguientes:
Ganancia diferencial alta: El amplificador de instrumentación ofrece una alta ganancia diferencial, lo que permite amplificar señales de baja amplitud de manera efectiva.
Rechazo de señal común: El diseño del amplificador de instrumentación permite un alto rechazo de señales comunes, es decir, señales que aparecen de manera igual en ambas entradas. Esto ayuda a eliminar el ruido y las interferencias externas.
Impedancia de entrada alta: El amplificador de instrumentación tiene una alta impedancia de entrada, lo que significa que presenta una carga mínima al circuito bajo prueba y evita la degradación de la señal.
Precisión y estabilidad: Debido a su diseño y a la utilización de resistencias de precisión, los amplificadores de instrumentación ofrecen una medición precisa y una estabilidad a largo plazo.
Amplio rango de frecuencia: Los amplificadores de instrumentación pueden trabajar en una amplia gama de frecuencias, lo que los hace adecuados para aplicaciones en campos como la medicina, la investigación científica y las comunicaciones.Algunas de las aplicaciones comunes de los amplificadores de instrumentación incluyen la adquisición de datos en sistemas de medición, monitoreo de señales bioeléctricas en equipos médicos, medición de sensores de temperatura y presión, y análisis de señales de baja amplitud en sistemas de comunicación.
Algunos amplificadores de instrumentación son:
INA128: Se trata de un amplificador de instrumentación de alta precisión que presenta bajo nivel de ruido y una ganancia diferencial considerable. Este dispositivo ha sido diseñado para cumplir con requisitos de amplificación precisos en situaciones donde se manejan señales de baja intensidad. Entre las aplicaciones destacadas se encuentran la medición de señales bioeléctricas en dispositivos médicos, la supervisión de sensores con amplitudes reducidas y sistemas de adquisición de datos. El INA128 destaca por su elevada impedancia de entrada y una notable capacidad para rechazar señales comunes, haciéndolo particularmente apto para entornos ruidosos donde se busca una medición precisa.
En síntesis, los amplificadores INA128, INA129 y AD620 son dispositivos de amplificación de instrumentación de alta precisión ampliamente empleados en aplicaciones de medición y captura de datos. Cada uno presenta atributos particulares que los hacen idóneos para distintas aplicaciones, siendo utilizados en ámbitos como la medicina, la investigación científica, la automatización industrial y la instrumentación de laboratorio.
Contribuye a eliminar interferencias y ruido en contextos sensibles. Además, el INA129 presenta una elevada impedancia de entrada y es apto para situaciones donde se requiere monitorizar señales débiles y adquirir datos en entornos con elevada interferencia.
APLICACIONES
Medicina y biomedicina: Los amplificadores de instrumentación desempeñan un papel esencial en equipos médicos al medir y vigilar señales bioeléctricas, tales como electrocardiogramas (ECG), electroencefalogramas (EEG), electromiogramas (EMG) y electrooculogramas (EOG). Estos dispositivos contribuyen a obtener lecturas claras y precisas de los pacientes.
Instrumentación de laboratorio: En el ámbito de la instrumentación de laboratorio, los amplificadores de instrumentación son empleados para amplificar señales débiles provenientes de sensores y transductores, posibilitando mediciones precisas de variables como temperatura, presión, flujo y fuerza.
Automatización industrial: Dentro de la automatización industrial, los amplificadores de instrumentación son fundamentales en sistemas de control y monitoreo para amplificar señales provenientes de sensores industriales, como sensores de presión, nivel, temperatura y vibración. Esto facilita mediciones precisas y confiables en entornos industriales desafiantes.
Telecomunicaciones: En el ámbito de las telecomunicaciones, los amplificadores de instrumentación son utilizados para aumentar la amplitud de señales débiles en transmisores y receptores de comunicación, mejorando la calidad y la integridad de las señales transmitidas.
Instrumentación de alta precisión: Los amplificadores de instrumentación tienen una presencia destacada en aplicaciones que demandan mediciones precisas y confiables, como en sistemas de calibración, sistemas de medición de alta precisión en investigación científica, y equipos de prueba y medición.
Energías renovables: En el campo de las energías renovables, los amplificadores de instrumentación son empleados para medir y vigilar señales en sistemas fotovoltaicos, turbinas eólicas y otros dispositivos de generación de energía.
Comentarios
Publicar un comentario